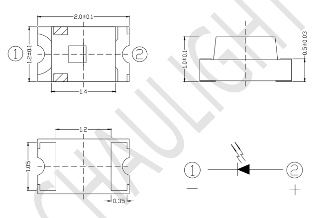
SMD
ZIR-Z2012C
ZIR-Z2012C-10A-Z3 是一种高辐射发光二极管,透明的封胶外形。该材料与光电晶体管、
光电二极管和红外接收模块进行配对。
ZIR-Z2012C-10A-Z3 is an infrared emitting diode in miniature SMD package which is molded
in a water clear plastic with spherical top view lens. The device is spectrally matched with
silicon photo diode and photo transistor.
Features
--可靠性高、辐射强度高、低电压驱动
High reliability、High radiant intensity、Low forward voltage
--发射波长 940nm
Peak wavelength λp=940nm
--无铅材料、RoHS 认证
Pb.Free、RoHS compliant version
Other Applications
--红外摄像头、遥控器、光电开关、打印机
Camera、Remote、switch、printer
Specification

